三、内质网《病理学》

三、内质网

除红细胞外,内质网或多或少地见于所有各种细胞。内质网为由生物膜构成的互相通连的片层隙状或小管状系统,膜片间的隙状空间称为池,通常与细胞外隙和细胞浆基质之间不直接相通。这种细胞内的膜性管道系系一方面构成细胞内物质运输的通路,另方面为细胞内各种各样的酶反应提供广阔的反应面积。内质网与高尔基体及核膜相连续。

(一)粗面内质网

在病理状态下,粗面内质网(RER)可发生量和形态的改变。在蛋白质合成及分泌活性高的细胞(如浆细胞、胰腺腺泡细胞、肝细胞等)以及细胞再生和病毒感染时,粗面内质网增多。粗面肉质岗的含量高低也常反映肿细胞的分化程度。相反,在萎缩的细胞(如饥饿时)以及有某种物质贮积的细胞,其粗面内质网则萎缩、减少。当细胞受损时,粗面内质网上的核蛋白体往往脱落于胞浆内,粗面内质网的蛋白合成乃下降或消失;当损伤恢复时,其蛋白合成也随之恢复。

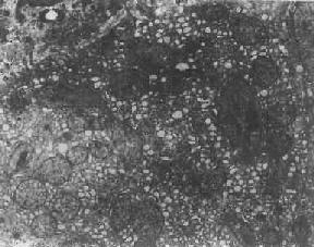
在由各种原因引起的细胞变性和坏死过程中,粗面内质网的池一般出现扩张,较轻的和局限性的扩张只有在电镜下才能窥见,重度扩张时则在光学显微镜下可表现为空泡形成,电镜下有时可见其中含有中等电子密度的絮状物。在较强的扩张时,粗面内质网同时互相离散,膜上的颗粒呈不同程度的脱失。进而内质网本身可断裂成大小不等的片段和大小泡(图1-6)。这些改变大多见于细胞水肿时,故病变不仅见于内质网,也同时累及Golgi器、线粒体和胞浆基质,有时甚至还累及溶解体。

肝细胞粗面内质网扩张

图1-6肝细胞粗面内质网扩张

(二)光面内质网

光面内质网的功能多种多样,即参与糖原的合成,又能合成磷脂、糖脂以及糖蛋白中的糖成分,此外,还在甾类化合物的合成中起重要的作用,故在合成甾类激素的细胞中特别丰富。光面内质网含有脱甲基酶、脱羧酶、脱氨酶、葡糖醛酸酶以及混合功能氧化酶等,因而光面内质网能分解甾体、能灭活药物和毒物并使其能被排除(如肝细胞)。肠上皮细胞的光面内质网参与脂肪的运输,心肌细胞的光面内质网(肌浆网)则参与心肌的刺激传导。

在生理状态下,随着细胞功能的升降,光面内质网(SER)的数量也呈现相应改变。但亦可出现完全相反的情况,例如在某些疾病(如淤胆)时,从形态结构上看,肝细胞光面内质网显著增生(图1-7),但其混合功能氧化酶的活性反而下降,这实际上是细胞衰竭的表现。

肝细胞的光面内质网具有生物转化作用(biotransformation),能对一些低分子物质如药物、毒品、毒物等,进行转化解毒,并将间接胆红素转化为直接胆红素。

许多成瘾药物和嗜好品如巴比妥类、吸毒、嗜酒等,可导致肝细胞光面内质网的增生,长期服用口服避孕药、安眠药、抗糖尿病药等也能导致同样后果。在HBsAg阳性肝炎时,肝细胞内光面内质网明显增生,在其管道内形成HBsAg。由于光面内质网的大量增生,这种肝细胞在光学显微镜下呈毛玻璃外观,故有毛玻璃细胞之称,并可为地衣红(orcein)着染。

在细胞损伤时光面内质网也可出现小管裂解为小泡或扩大为大泡状。在药物及某些芳香族化合物(主为致剂)的影响下,光面内质网有时可在胞浆内形成葱皮样层状结构,即“副核”,可为细胞的适应性反应(结构较松)或为变性性改变(结构致密)。

肝细胞光面内质网增生伴轻度扩大

图1-7 肝细胞光面内质网增生伴轻度扩大

上一页:二、细 胞 膜
当前页:三、内质网
下一页:四、线粒体

返回目录