| 六、溶酶体 | 《病理学》 |
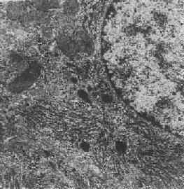
六、溶酶体溶酶体(lysosome)为细胞浆内由单层脂蛋白膜包绕的内含一系列酸性水解酶的小体。形态学上只有联合运用电镜和细胞化学方法才能肯定地加以确认。但是在胞浆中有一系列来源不同的小体符合这一定义,故可将溶酶体区分为以下不同的类型。 1.初级溶酶体为除水解酶类外不含其他物质并尚未参与细胞内消化过程的溶酶体,例如中性粒细胞中的嗜天青颗粒、嗜酸性细胞中的颗粒以及巨噬细胞和一些其他细胞中的高尔基小泡(图1-13)。
图1-13 初级溶酶体 图中央及中下方之卵圆形电子致密小体,外围单层包膜。(图中及下部片层状膜性结构为粗面内质网(正常肝细胞) 2.次级溶酶体为除溶酶体的水解酶外尚含有其他外源性或内源性物质并已参与细胞内消化过程的溶酶体(图1-14),亦即含有溶酶体酶的各种噬体,因而称为吞噬溶酶体(phagolysosome),乃由吞噬体与初级或次级溶酶体融合而成。 溶酶体是极为重要的细胞器,能与细胞的一系列生物功能和无数的物质代谢过程。因此,其功能障碍将导致细胞的病理改变,从而在许多疾病的发病机制中具有重要意义。 溶酶体的病变 1.溶酶体的病理性 贮积过程在某些病理情况下,一些内源性或外源性物质可在溶酶体内贮积,使病酶体增大和数目增多。
图1-14 肝细胞内次级溶酶体 贮存在溶酶体中的物质被溶酶体酶加以降解(消化)。但有时进入细胞的物质为量过多,超过了溶酶体的处理能力,于是乃在细胞内贮积,例如各种原因引起的蛋白尿时可在肾近曲小管上皮细胞中见到玻璃滴状蛋白质的贮积(所谓玻璃样小滴变性)。在电镜下可见这种玻璃样小滴乃载有蛋白质的增大的溶酶体,故实质上这往往是细胞功能增强的表现,与真正的变性有所不同。 一些在正常情况下可被消化的物质如糖原和粘多糖等,当溶酶体有先天性酶缺陷时,也能在溶酶体中堆积,如Ⅱ型糖原贮积病(Pompe)病。 2.溶酶体在细胞自溶过程中的作用 溶酶体因含有许多种水解酶,故在细胞的自溶过程中起着重要的作用。在溶酶体膜损伤及通透性升高时,水解酶逸出,引起广泛的细胞自溶。这就是活体内细胞坏死和机体死后自溶的主要过程。在此过程中,受损细胞的大分子成分被水解酶分解为小分子物质。 比细胞的广泛坏死或自溶更为重要的是溶酶体在细胞的局灶性坏死中所起的作用。此时在胞浆内形成自噬泡,在与溶酶体结合形成自噬溶酶体。如水解酶不能将其中的结构彻底消化溶解,则自噬溶酶体乃常转化为细胞内的残存小体,如某些长寿细胞中的脂褐素(图1-15)。 3.溶酶体在细胞间质损伤中的作用 当溶酶体酶释放到细胞间质中时,同样发挥其酶解破坏作用。这在诸类风湿性关节炎等炎症过程和肿瘤细胞侵入血管的过程中具有重要意义。但溶酶体酶逸出溶酶体进入细胞间隙的机制尚不十分清楚,可能由于溶酶体膜和细胞的失稳或通过出胞过程而实现的。因此,临床上可用溶酶体膜稳定剂治疗有关疾病。
图1-15 肝细胞内脂褐素颗粒残存小体即终末溶酶体
|
返回目录 |